b2banber01.jpg b2banber01ph.jpg

锂电池隔膜

b2img01.png
  • 1
  • 2
  • 3
  • b2img02.png
    b2icon01.svg
    锂电池隔膜
  • b2icon02.svg
    负极
  • b2icon03.svg
    正极

锂电池隔膜是一种具有纳米级微孔的高分子功能材料。

隔膜的性能决定了锂电池的界面结构、内阻等,直接影响电池的容量、循环以及安全性能等特性。

应用

  • 动力电池

    爱体育aitiyu(中国)股份针对动力电池客户的高安全性、高能量密度、快充等需求,提供定制化高强度隔膜、超薄隔膜、低透气性隔膜;以高性能基膜为基础,搭配特定功能的涂层,满足客户不同的动力电池需求。

  • 消费电子电池

    爱体育aitiyu(中国)股份具有业内领先的超薄隔膜及先进涂布技术,为客户提供多种解决方案,主要应用于传统消费类电子产品和新兴消费电子领域(无人机、可穿戴设备、机器人等)。

  • 储能电池

    爱体育aitiyu(中国)股份基于储能锂电池要求长循环寿命的特点,可提供高保液、长循环寿命的储能电池隔膜,涵括电力系统储能、通信基站储能和家庭储能等不同领域。

  • b2img03-799.png
  • B2yingyongxiaofeidianzi.png
  • B2yingyongchuneng.png

产品

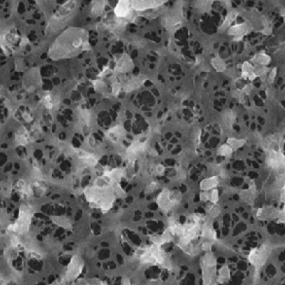
    • b2img06.jpg
    湿法双向拉伸隔膜

    采用双向拉伸工艺,MD向(纵向)、TD向(横向)强度较高且数值较为接近,可以降低锂金属枝晶穿刺造成的电池内短路风险,利于提升电池良率,并在电池安全性测试中更具优势。

    • ganfagemo.jpg
    干法隔膜

    采用吹塑法生产工艺,相比流延法,吹塑法在产品的强度、孔径分布、生产效率、收率、收卷质量、收卷长度等方面更具优势。

    • taocitufugemo.jpg
    陶瓷涂覆隔膜

    在原来的基膜上(包括干法、湿法基膜),将高纯度纳米氧化铝或勃母石等陶瓷材料涂覆于基膜上面,涂覆一层或者两面各一层的陶瓷面。

    • PVDFhunhetufugemoshuixing.jpg
    • PVDFhunhetufugemoyouxing.jpg
    混合涂覆隔膜

    混合涂覆隔膜,即PVDF或芳纶与纳米陶瓷混合制成浆料,并均匀地涂覆在干法或湿法的基膜上。混合涂覆隔膜兼具高耐热性的同时可实现隔膜与正负极片之间的粘接,且具有低成本、高效率的优点。

    • fangluntufugemo.jpg
    芳纶涂覆隔膜

    芳纶是一种耐热优良的高分子材料,芳纶涂布可以大幅度提升隔膜的破膜温度,改善电池的热安全性能。

    • PVDFtufugemoshuixing.jpg
    • PVDFtufugemoyouxing.jpg
    PVDF 涂覆隔膜

    将PVDF分散(水性)或溶解(油性)后均匀地涂覆到基膜上。在隔膜与极片热复合时,PVDF涂覆隔膜的有效接触面积大,粘接效果很好(涂层粘结力≥30N/m),大大降低电芯产品的入壳不良率。

b3img061.jpg

行业地位

全球领先
爱体育aitiyu(中国)股份在全球产能布局、产品品质、成本效益以及技术研发等方面具备显著竞争力。

客户

  • 10,000
    员工
  • 近40
    控股公司
  • 10
    +
    研究所
b2img15.jpg
有一个问题?